| 【產品名稱】 | QLS-0201 雙法蘭式標準信號扭矩傳感器 |
| 【所屬分類】 | 力學傳感器 |
| 【產品型號】 | QLS-0201 |
| 【市場價格】 | 面議/電詢 |
| 【產品品牌】 | motive |
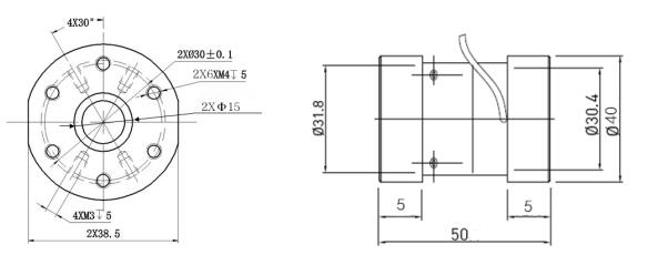
| 【產品尺寸】 |
概述
◇ 靜態扭矩傳感器,鋁合金材料,采用金屬箔式應變片技術,結構緊湊
◇ 適用于靜態、非連續旋轉的扭矩力值測量。
◇ 工作電壓DC24V 輸出電壓0---10V 或 4---20mA
◇ 可直接接入PLC,適合自動化設備在線測試
技術參數
● 容量:1 N.m-30N.m
● 輸出靈敏度:2.0±10% mV/V
● 非線性:0.25%F.S.
● 遲滯性:0.25%F.S.
● 重復性:0.1%F.S
● 輸入/出阻抗:350Ω±1%
● 絕緣阻抗:5000MΩ以上
● 溫度補償范圍:-10~60℃
● 工作溫度范圍:-20~80℃
● 容許過負荷:120%F.S
尺寸和量程

量程: 1 N.m 2 N.m 3 N.m 5 N.m 6 N.m 10 N.m 20 N.m 30N.m
Copyright ? 2019-2024 m.xinzhourisheng.com All Rights Reserved 浙ICP備2021010018號-2 技術支持:和眾互聯